![]()
Námi nabízíme sestavy domácích videotelefonů pro rodinné domy, bytové jednotky, kanceláře, školy, obsahují vše potřebné pro provedení instalace. Sestavy lze dále rozšiřovat o další monitory, dveřní kamerové stanice, externí kamery a přídavné moduly umožňující např. přesměrování na mobilní telefon, nebo ovládání vjezdové brány, el. spotřebičů..


Přesměrování hovoru na mobilní telefon
Aplikace SmartLife a Tuya poskytované Tuya jsou známé jako all-in-one aplikace a jsou dostupné uživatelům ze všech oblastí života. Tato aplikace je zdarma a připravená k použití. Má snadné ovládání, rozmanité scénáře, užitečné funkce a připravenost na svět. číst celé
- Úvod
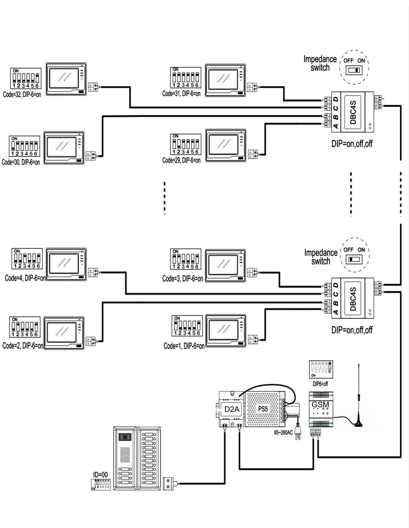
- GSM adaptér PA-D2-GSM pro přesměrování na telefon
GSM adaptér PA-D2-GSM pro přesměrování na telefon

- Kompletní specifikace
- Ke stažení
GSM adaptér PA-D2-GSM pro přesměrování na telefon/ ks
Prodej byl ukončen v lednu 2019
Adaptér pro připojení 2-vodičové sběrnice D2 k telefonní síti. Je nezbytný jen v situacích kdy chceme přesměrovat zvonění i na telefonní linku. Automaticky vytočí zadané tel. číslo pokud nejste doma a umožní hovořit s návštěvníkem, případně mu i otevřít.
90x72x60 mm (v x š x h) 
Specifikace:
- přesměrovává hovor do telefonní sítě na zadané telefonní číslo
- uživatel snadno zadá tel. číslo přímo z bytového monitoru, číslo se ukládá do PA-D2-GSM zařízení
- bytový monitor je při užití PA-D2-GSM nezbytný
- přesměrování nastává dle nastavení uživatelem buď po 25s kdy nedode k odpovědi z monitoru nebo okamžitě
- během tel. hovoru lze odemknout první i druhý zámek zadáním tonové volby (1# pro 1. zámek, 2# pro 2. zámek)
- podporuje multiuživatelské zapojení (společný pro všechny monitory v systému)
- montáž na zeď nebo DIN lištu
- napájení ze společné sběrnice D2 (DC 20 - 28V), příkon 1W ve standby, 2W při práci
- rozměr 90x72x60 mm
Montáž na DIN lištu 




